Descripción
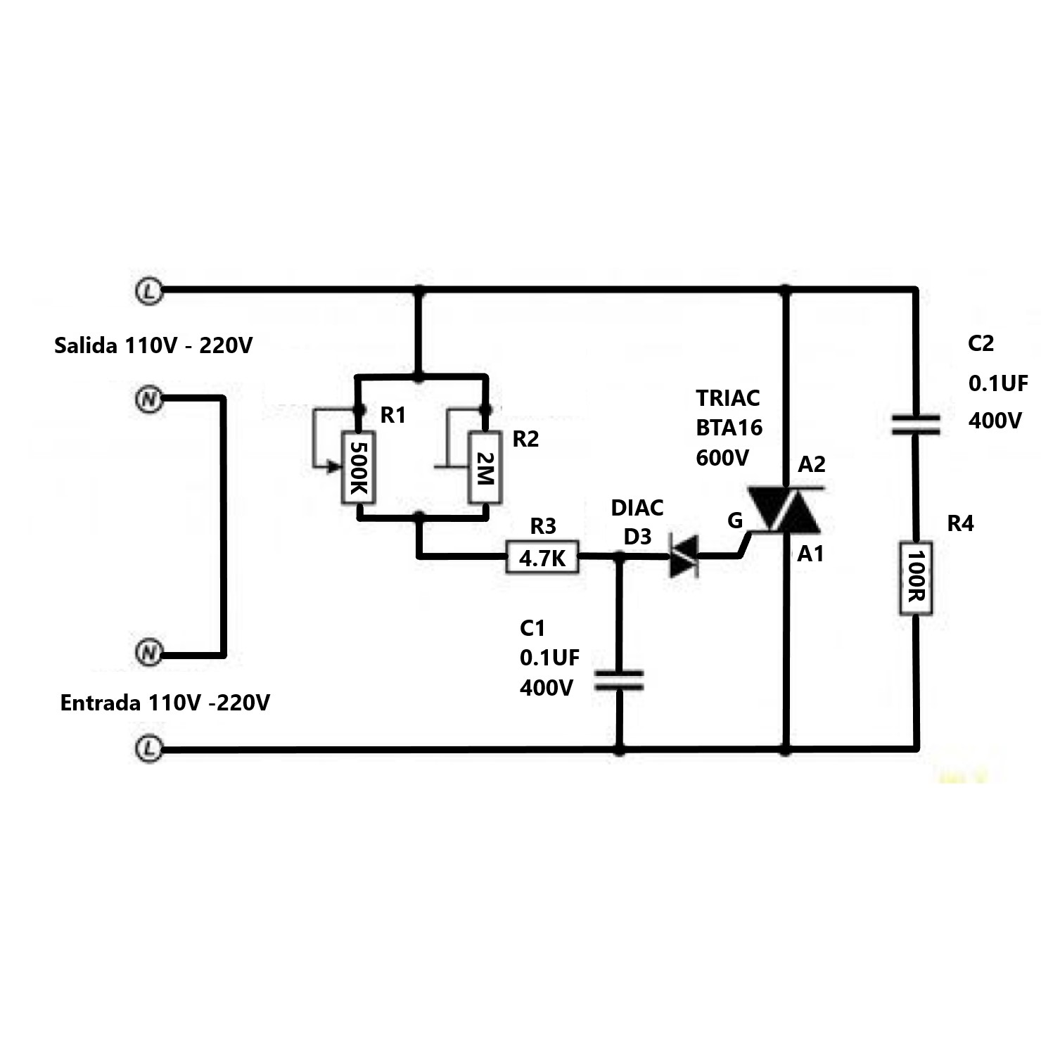
El DIMMER SCR permite controlar la velocidad de un motor con un ciclo de trabajo de 15 – 90% .
El DIMMER SCR incorpora un potenciómetro con el cual puede ajustarse la velocidad.Tiene un pequeño tamaño pero puede suministrar hasta 2000W (carga resistiva) de potencia en un rango de voltaje de 110VCA – 220VCA. Ademas cuenta con un trimpot para ajustar el nivel mínimo que va a regular.
Es una excelente opción en aplicaciones como un horno eléctrico, atenuación de alumbrado, velocidad de motor pequeño, estufas eléctricas, entre otros.
El paquete contiene:










El producto es funcional y cumple con lo especificado.